轴承专区
Bearings Center
KMFE 14轴承-SKF KMFE 14轴承尺寸、图纸、价格
SKF KMFE 14轴承
| 产品名称: | KMFE 14轴承 | 品牌: | SKF |
|---|---|---|---|
| 类型: | SKF轴承 > 滚动轴承 > 轴承附件 | ||
| 描述: | KMFE 14轴承是【SKF轴承 > 滚动轴承 > 轴承附件】的型号,主要用在各种产业机械、各类变速器、汽车发动机、铁路车辆、破碎机、机床主轴、发电厂、啤酒、混凝土机械、塔式车库等各大领域 | ||
电话/微信:138-8949-5179
SKF KMFE 14轴承详细信息
KMFE 14轴承是【SKF轴承 > 滚动轴承 > 轴承附件】的型号,主要用在各种产业机械、各类变速器、汽车发动机、铁路车辆、破碎机、机床主轴、发电厂、啤酒、混凝土机械、塔式车库等各大领域。
SKF KMFE 14轴承详细参数
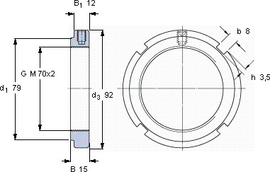
| 带锁紧螺钉的KMFE锁紧定螺母 | ||||||||||
| 螺纹尺寸 | 尺寸 | 轴向负荷 | 体积 | 型号 | 平头螺钉 | |||||
| 承载能力 | 锁定螺母 | 适宜的板手 | 尺寸 | 推荐的紧固扭矩 | ||||||
| d3 | B | G | 静态 | |||||||
| - | mm | - | kN | kg | - | - | Nm | |||
| 70 | 92 | 15 | M 70x2 | 118 | 0,26 | KMFE 14 | HN 14 | M 6 | 8 | |
SKF KMFE 14轴承尺寸图纸

