李工:138-8949-5179 刘工:135-0428-8802
型号查询
轴承型号   常见搜索: 22222轴承 6214轴承 6021轴承 6305轴承 6304轴承 6205轴承
型号查询 X

轴承专区

Bearings Center

2 x 7308 BEGAP *轴承-SKF 2 x 7308 BEGAP *轴承尺寸、图纸、价格

SKF 2 x 7308 BEGAP *轴承

产品名称:2 x 7308 BEGAP *轴承 品牌:SKF
类型:SKF轴承 > 滚动轴承 > 角接触球轴承
描述:2 x 7308 BEGAP *轴承是【SKF轴承 > 滚动轴承 > 角接触球轴承】的型号,主要用在内燃机、油泵、纺织机械传动轴、机床主轴、木工机械、石油钻机、挤压机、钟表、给料机械、抓钢机等各大领域

 电话/微信:138-8949-5179

SKF 2 x 7308 BEGAP *轴承详细信息

2 x 7308 BEGAP *轴承是【SKF轴承 > 滚动轴承 > 角接触球轴承】的型号,主要用在内燃机、油泵、纺织机械传动轴、机床主轴、木工机械、石油钻机、挤压机、钟表、给料机械、抓钢机等各大领域。

SKF 2 x 7308 BEGAP *轴承详细参数

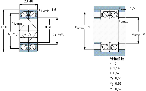
角接触球轴承, 单列,用于配对安装, 面对面配对
主要数据尺寸基本负荷额定值疲劳负荷限值额定速度体积型号轴承配对
动态静态参照速度限制速度
dD2BCC0Pu * - SKF Explorer 轴承
mmkNkNr/minkg--
4090468065,52,758000100001,252 × 7308 BEGAP *DF

SKF 2 x 7308 BEGAP *轴承尺寸图纸

李工:138-8949-5179

刘工:135-0428-8802

地址:辽宁省大连经济技术开发区现代城3栋-13-13号

在线客服系统