轴承专区
Bearings Center
RLS 14轴承-SKF RLS 14轴承尺寸、图纸、价格
SKF RLS 14轴承
| 产品名称: | RLS 14轴承 | 品牌: | SKF |
|---|---|---|---|
| 类型: | SKF轴承 > 滚动轴承 > 深沟球轴承 | ||
| 描述: | RLS 14轴承是【SKF轴承 > 滚动轴承 > 深沟球轴承】的型号,主要用在后轮、燃料喷射泵、挖土机履带轮、齿轮减速装置、木工机械、起重机吊钩、水力发电机、破碎、专用车、泥炮等各大领域 | ||
电话/微信:138-8949-5179
SKF RLS 14轴承详细信息
RLS 14轴承是【SKF轴承 > 滚动轴承 > 深沟球轴承】的型号,主要用在后轮、燃料喷射泵、挖土机履带轮、齿轮减速装置、木工机械、起重机吊钩、水力发电机、破碎、专用车、泥炮等各大领域。
SKF RLS 14轴承详细参数
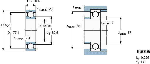
| 深沟球轴承, 单列, 无密封件,带英制尺寸 | |||||||||||
| 主要数据尺寸 | 基本负荷额定值 | 疲劳负荷限值 | 额定速度 | 体积 | 型号 | ||||||
| 动态 | 静态 | 参照速度 | 限制速度 | ||||||||
| d | D | B | C | C0 | Pu | ||||||
| mm | kN | kN | r/min | kg | - | ||||||
| 44,45 | 95,25 | 20,637 | 35,1 | 23,2 | 0,98 | 14000 | 10000 | 0,66 | RLS 14 | 仅对售后市场 | |
SKF RLS 14轴承尺寸图纸

