轴承专区
Bearings Center
SCF 30 ES轴承-SKF SCF 30 ES轴承尺寸、图纸、价格
SKF SCF 30 ES轴承
| 产品名称: | SCF 30 ES轴承 | 品牌: | SKF |
|---|---|---|---|
| 类型: | SKF轴承 > 球面滑动轴承和杆端关节轴承 > 需维护的杆端关节轴承 | ||
| 描述: | SCF 30 ES轴承是【SKF轴承 > 球面滑动轴承和杆端关节轴承 > 需维护的杆端关节轴承】的型号,主要用在建筑机械、离心分离机、发电机、变速器、破碎机、制铁制钢机械、成形机、洗染、堆取料机、港口起重机等各大领域 | ||
电话/微信:138-8949-5179
SKF SCF 30 ES轴承详细信息
SCF 30 ES轴承是【SKF轴承 > 球面滑动轴承和杆端关节轴承 > 需维护的杆端关节轴承】的型号,主要用在建筑机械、离心分离机、发电机、变速器、破碎机、制铁制钢机械、成形机、洗染、堆取料机、港口起重机等各大领域。
SKF SCF 30 ES轴承详细参数
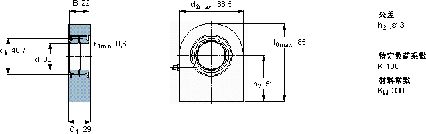
| 需要维护的杆端, 钢对钢,焊接柄 | ||||||||||
| 主要数据尺寸 | 角度倾的 | 基本负荷额定值 | 质量 | 型号 | ||||||
| 动态 | 静态 | |||||||||
| d | d2 | B | C1 | h2 | ± | C | C0 | |||
| 最大 | ||||||||||
| mm | 度数 | kN | kg | - | ||||||
| 30 | 66,5 | 22 | 29 | 51 | 6 | 62 | 110 | 0,87 | SCF 30 ES | |
SKF SCF 30 ES轴承尺寸图纸

