轴承专区
Bearings Center
351301 C轴承-SKF 351301 C轴承尺寸、图纸、价格
SKF 351301 C轴承
| 产品名称: | 351301 C轴承 | 品牌: | SKF |
|---|---|---|---|
| 类型: | SKF轴承 > 滚动轴承 > 圆锥滚子推力轴承 | ||
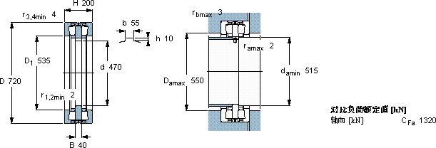
| 描述: | 351301 C轴承是【SKF轴承 > 滚动轴承 > 圆锥滚子推力轴承】的型号,主要用在燃汽轮机、差速器小齿轮轴、变速器、小齿轮轴、破碎机、机床主轴、电机厂、化纤机械、混凝土机械、数控设备等各大领域 | ||
电话/微信:138-8949-5179
SKF 351301 C轴承详细信息
351301 C轴承是【SKF轴承 > 滚动轴承 > 圆锥滚子推力轴承】的型号,主要用在燃汽轮机、差速器小齿轮轴、变速器、小齿轮轴、破碎机、机床主轴、电机厂、化纤机械、混凝土机械、数控设备等各大领域。
SKF 351301 C轴承详细参数
| 圆锥滚子推力轴承, 双向 | ||||||||
| 主要数据尺寸 | 基本负荷额定值 | 疲劳负荷限值 | 最小负荷系数 | 型号 | ||||
| 动态 | 静态 | |||||||
| d | D | H | C | C0 | Pu | |||
| mm | kN | kN | kg | - | ||||
| 470 | 720 | 200 | 3410 | 17600 | 1100 | 285 | 351301 C | |
SKF 351301 C轴承尺寸图纸

