李工:138-8949-5179 刘工:135-0428-8802
型号查询
轴承型号   常见搜索: 6012轴承 6006轴承 6015轴承 688a轴承 6022轴承 6003轴承
型号查询 X

轴承专区

Bearings Center

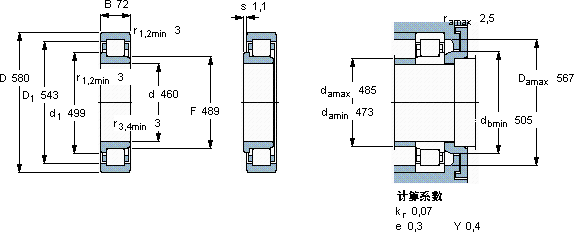
NJ 2892 ECMA轴承-SKF NJ 2892 ECMA轴承尺寸、图纸、价格

SKF NJ 2892 ECMA轴承

产品名称:NJ 2892 ECMA轴承 品牌:SKF
类型:SKF轴承 > 滚动轴承 > 圆柱滚子轴承
描述:NJ 2892 ECMA轴承是【SKF轴承 > 滚动轴承 > 圆柱滚子轴承】的型号,主要用在燃汽轮机、各类变速器、泵、铁路车辆、印刷机械、机床主轴、电机厂、精细化工机械、挖掘机、抓钢机等各大领域

 电话/微信:138-8949-5179

SKF NJ 2892 ECMA轴承详细信息

NJ 2892 ECMA轴承是【SKF轴承 > 滚动轴承 > 圆柱滚子轴承】的型号,主要用在燃汽轮机、各类变速器、泵、铁路车辆、印刷机械、机床主轴、电机厂、精细化工机械、挖掘机、抓钢机等各大领域。

SKF NJ 2892 ECMA轴承详细参数

圆柱滚子轴承, 单列, NJ 设计
主要数据尺寸基本负荷额定值疲劳负荷限值额定速度体积型号适宜的斜挡圈
动态静态参照速度限制速度型号
dDBCC0Pu
mmkNkNr/minkg--
46058072108024001931100140048,0NJ 2892 ECMA-

SKF NJ 2892 ECMA轴承尺寸图纸

李工:138-8949-5179

刘工:135-0428-8802

地址:辽宁省大连经济技术开发区现代城3栋-13-13号

在线客服系统