李工:138-8949-5179 刘工:135-0428-8802
型号查询
轴承型号   常见搜索: 6007轴承 6014轴承 6016轴承 6309轴承 23136轴承 6024轴承
型号查询 X

轴承专区

Bearings Center

FY 2.3/16 WF轴承-SKF FY 2.3/16 WF轴承尺寸、图纸、价格

SKF FY 2.3/16 WF轴承

产品名称:FY 2.3/16 WF轴承 品牌:SKF
类型:SKF轴承 > 轴承单元 > Y-轴承法兰单元
描述:FY 2.3/16 WF轴承是【SKF轴承 > 轴承单元 > Y-轴承法兰单元】的型号,主要用在后轮、小型汽车前轮、挖土机履带轮、差速器、木工机械、耕耘机、水力发电机、精细化工机械、平地机、泥炮等各大领域

 电话/微信:138-8949-5179

SKF FY 2.3/16 WF轴承详细信息

FY 2.3/16 WF轴承是【SKF轴承 > 轴承单元 > Y-轴承法兰单元】的型号,主要用在后轮、小型汽车前轮、挖土机履带轮、差速器、木工机械、耕耘机、水力发电机、精细化工机械、平地机、泥炮等各大领域。

SKF FY 2.3/16 WF轴承详细参数

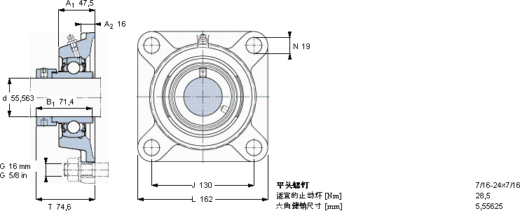
Y-型轴承带法兰单元, 方形铸造轴承座,偏心锁定轴环, 英制轴承
尺寸基本负荷额定值限制速度质量型号
动态静态轴承单元轴承座轴承
dA1JLTCC0带轴公差h6
mmkNr/minkg-
55,56347,513016274,643,62936003,85FY 2.3/16 WFFY 511 UYEL 211-203-2F

SKF FY 2.3/16 WF轴承尺寸图纸

李工:138-8949-5179

刘工:135-0428-8802

地址:辽宁省大连经济技术开发区现代城3栋-13-13号

在线客服系统