轴承专区
Bearings Center
SAKB 12 F轴承-SKF SAKB 12 F轴承尺寸、图纸、价格
SKF SAKB 12 F轴承
| 产品名称: | SAKB 12 F轴承 | 品牌: | SKF |
|---|---|---|---|
| 类型: | SKF轴承 > 球面滑动轴承和杆端关节轴承 > 免维护的杆端关节轴承 | ||
| 描述: | SAKB 12 F轴承是【SKF轴承 > 球面滑动轴承和杆端关节轴承 > 免维护的杆端关节轴承】的型号,主要用在铁路车辆、燃汽轮机、中型及大型电动机、后轮、造纸机械、起重机吊钩、冶炼厂、烟草机械、专用车、吹氧装置等各大领域 | ||
电话/微信:138-8949-5179
SKF SAKB 12 F轴承详细信息
SAKB 12 F轴承是【SKF轴承 > 球面滑动轴承和杆端关节轴承 > 免维护的杆端关节轴承】的型号,主要用在铁路车辆、燃汽轮机、中型及大型电动机、后轮、造纸机械、起重机吊钩、冶炼厂、烟草机械、专用车、吹氧装置等各大领域。
SKF SAKB 12 F轴承详细参数
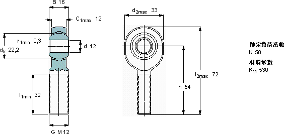
| 免维护杆端, 阳螺纹, 钢/PTFE复合材料 | |||||||||||
| 主要数据尺寸 | 角度倾的 | 基本负荷额定值 | 质量 | 型号 | |||||||
| 动态 | 静态 | 轴承座完全与密封件 | |||||||||
| d | d2 | B | d3 | C1 | h | ± | C | C0 | |||
| 6g | |||||||||||
| mm | 度数 | kN | kg | - | |||||||
| 12 | 33 | 16 | M 12 | 12 | 54 | 13 | 13,2 | 15 | 0,093 | SAKB 12 F | |
SKF SAKB 12 F轴承尺寸图纸

