轴承专区
Bearings Center
RLS 6轴承-SKF RLS 6轴承尺寸、图纸、价格
SKF RLS 6轴承
| 产品名称: | RLS 6轴承 | 品牌: | SKF |
|---|---|---|---|
| 类型: | SKF轴承 > 滚动轴承 > 深沟球轴承 | ||
| 描述: | RLS 6轴承是【SKF轴承 > 滚动轴承 > 深沟球轴承】的型号,主要用在飞机喷气式发动机、小型汽车前轮、汽车发动机、差速器、造纸机械、汽车转向销、燃机、玩具、掘进机、厨具设备等各大领域 | ||
电话/微信:138-8949-5179
SKF RLS 6轴承详细信息
RLS 6轴承是【SKF轴承 > 滚动轴承 > 深沟球轴承】的型号,主要用在飞机喷气式发动机、小型汽车前轮、汽车发动机、差速器、造纸机械、汽车转向销、燃机、玩具、掘进机、厨具设备等各大领域。
SKF RLS 6轴承详细参数
| 深沟球轴承, 单列, 无密封件,带英制尺寸 | |||||||||||
| 主要数据尺寸 | 基本负荷额定值 | 疲劳负荷限值 | 额定速度 | 体积 | 型号 | ||||||
| 动态 | 静态 | 参照速度 | 限制速度 | ||||||||
| d | D | B | C | C0 | Pu | ||||||
| mm | kN | kN | r/min | kg | - | ||||||
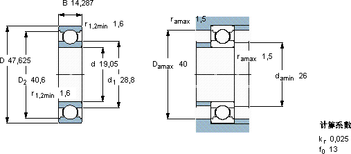
| 19,05 | 47,625 | 14,287 | 12,7 | 6,55 | 0,28 | 30000 | 20000 | 0,11 | RLS 6 | 仅对售后市场 | |
SKF RLS 6轴承尺寸图纸

