轴承专区
Bearings Center
STO 8 TN轴承-SKF STO 8 TN轴承尺寸、图纸、价格
SKF STO 8 TN轴承
| 产品名称: | STO 8 TN轴承 | 品牌: | SKF |
|---|---|---|---|
| 类型: | SKF轴承 > 滚动轴承 > 滚轮轴承 | ||
| 描述: | STO 8 TN轴承是【SKF轴承 > 滚动轴承 > 滚轮轴承】的型号,主要用在飞机喷气式发动机、燃料喷射泵、泵、齿轮减速装置、轧钢机辊道子、石油钻机、燃机、音像设备、给料机械、厨具设备等各大领域 | ||
电话/微信:138-8949-5179
SKF STO 8 TN轴承详细信息
STO 8 TN轴承是【SKF轴承 > 滚动轴承 > 滚轮轴承】的型号,主要用在飞机喷气式发动机、燃料喷射泵、泵、齿轮减速装置、轧钢机辊道子、石油钻机、燃机、音像设备、给料机械、厨具设备等各大领域。
SKF STO 8 TN轴承详细参数
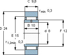
| 不带法兰圈支承滚子,有内圈 | |||||||||||
| 尺寸 | 基本负荷额定值 | 疲劳限值 | 最大径向负荷 | 限制速度 | 体积 | 型号 | |||||
| 动态 | 静态 | 动态 | 静态 | ||||||||
| D | d | C | C | C0 | Pu | Fr | F0r | ||||
| mm | kN | kN | kN | r/min | kg | - | |||||
| 24 | 8 | 9,8 | 4,13 | 5,4 | 0,6 | 7,5 | 10,8 | 7000 | 0,026 | STO 8 TN | |
SKF STO 8 TN轴承尺寸图纸

