轴承专区
Bearings Center
SIQG 125 ES轴承-SKF SIQG 125 ES轴承尺寸、图纸、价格
SKF SIQG 125 ES轴承
| 产品名称: | SIQG 125 ES轴承 | 品牌: | SKF |
|---|---|---|---|
| 类型: | SKF轴承 > 球面滑动轴承和杆端关节轴承 > 需维护的杆端关节轴承 | ||
| 描述: | SIQG 125 ES轴承是【SKF轴承 > 球面滑动轴承和杆端关节轴承 > 需维护的杆端关节轴承】的型号,主要用在飞机喷气式发动机、机床主轴、燃汽轮机、汽车、轧钢机辊道子、汽车转向销、燃机、洗染、土方机械、坦克等各大领域 | ||
电话/微信:138-8949-5179
SKF SIQG 125 ES轴承详细信息
SIQG 125 ES轴承是【SKF轴承 > 球面滑动轴承和杆端关节轴承 > 需维护的杆端关节轴承】的型号,主要用在飞机喷气式发动机、机床主轴、燃汽轮机、汽车、轧钢机辊道子、汽车转向销、燃机、洗染、土方机械、坦克等各大领域。
SKF SIQG 125 ES轴承详细参数
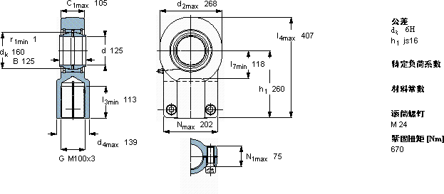
| 需要维护的杆端, 钢对钢,阴螺纹,用于液压滚筒 | |||||||||||
| 主要数据尺寸 | 角度倾的 | 基本负荷额定值 | 质量 | 型号 | |||||||
| 动态 | 静态 | 杆端带右旋螺纹 | |||||||||
| d | d2 | B | d3 | C1 | h1 | ± | C | C0 | |||
| 6H | |||||||||||
| mm | 度数 | kN | kg | - | |||||||
| 125 | 268 | 125 | M100x3 | 105 | 260 | 4 | 950 | 1430 | 46,4 | SIQG 125 ES | |
SKF SIQG 125 ES轴承尺寸图纸

