李工:138-8949-5179 刘工:135-0428-8802
型号查询
轴承型号   常见搜索: 6016轴承 6028轴承 6032轴承 6003轴承 6001轴承 *轴承
型号查询 X

轴承专区

Bearings Center

NUP 1864 ECMP轴承-SKF NUP 1864 ECMP轴承尺寸、图纸、价格

SKF NUP 1864 ECMP轴承

产品名称:NUP 1864 ECMP轴承 品牌:SKF
类型:SKF轴承 > 滚动轴承 > 圆柱滚子轴承
描述:NUP 1864 ECMP轴承是【SKF轴承 > 滚动轴承 > 圆柱滚子轴承】的型号,主要用在燃汽轮机、印刷机械、发电机、轧钢机辊颈、印刷机械、制铁制钢机械、电机厂、破碎、起重机械、数控设备等各大领域

 电话/微信:138-8949-5179

SKF NUP 1864 ECMP轴承详细信息

NUP 1864 ECMP轴承是【SKF轴承 > 滚动轴承 > 圆柱滚子轴承】的型号,主要用在燃汽轮机、印刷机械、发电机、轧钢机辊颈、印刷机械、制铁制钢机械、电机厂、破碎、起重机械、数控设备等各大领域。

SKF NUP 1864 ECMP轴承详细参数

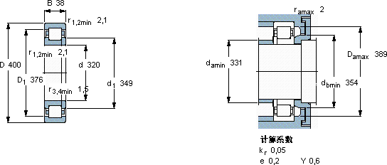
圆柱滚子轴承, 单列, NUP 设计
主要数据尺寸基本负荷额定值疲劳负荷限值额定速度体积型号适宜的斜挡圈
动态静态参照速度限制速度型号
dDBCC0Pu
mmkNkNr/minkg--
32040038369710601600240011,7NUP 1864 ECMP-

SKF NUP 1864 ECMP轴承尺寸图纸

李工:138-8949-5179

刘工:135-0428-8802

地址:辽宁省大连经济技术开发区现代城3栋-13-13号

在线客服系统