轴承专区
Bearings Center
NJ 29/630 ECMAS/HB1轴承-SKF NJ 29/630 ECMAS/HB1轴承尺寸、图纸、价格
SKF NJ 29/630 ECMAS/HB1轴承
| 产品名称: | NJ 29/630 ECMAS/HB1轴承 | 品牌: | SKF |
|---|---|---|---|
| 类型: | SKF轴承 > 滚动轴承 > 圆柱滚子轴承 | ||
| 描述: | NJ 29/630 ECMAS/HB1轴承是【SKF轴承 > 滚动轴承 > 圆柱滚子轴承】的型号,主要用在农业机械、小型汽车前轮、提升机、差速器、轧钢机辊道子、耕耘机、钢铁厂、陶瓷机械、平地机、机场加油机等各大领域 | ||
电话/微信:138-8949-5179
SKF NJ 29/630 ECMAS/HB1轴承详细信息
NJ 29/630 ECMAS/HB1轴承是【SKF轴承 > 滚动轴承 > 圆柱滚子轴承】的型号,主要用在农业机械、小型汽车前轮、提升机、差速器、轧钢机辊道子、耕耘机、钢铁厂、陶瓷机械、平地机、机场加油机等各大领域。
SKF NJ 29/630 ECMAS/HB1轴承详细参数
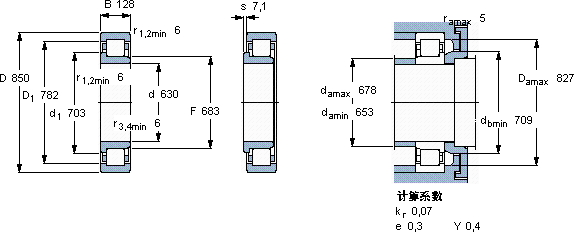
| 圆柱滚子轴承, 单列, NJ 设计 | ||||||||||||
| 主要数据尺寸 | 基本负荷额定值 | 疲劳负荷限值 | 额定速度 | 体积 | 型号 | 适宜的斜挡圈 | ||||||
| 动态 | 静态 | 参照速度 | 限制速度 | 型号 | ||||||||
| d | D | B | C | C0 | Pu | |||||||
| mm | kN | kN | r/min | kg | - | - | ||||||
| 630 | 850 | 128 | 3300 | 7200 | 510 | 700 | 900 | 230 | NJ 29/630 ECMAS/HB1 | - | ||
SKF NJ 29/630 ECMAS/HB1轴承尺寸图纸

