轴承专区
Bearings Center
BNTB 326074 B/HB1轴承-SKF BNTB 326074 B/HB1轴承尺寸、图纸、价格
SKF BNTB 326074 B/HB1轴承
| 产品名称: | BNTB 326074 B/HB1轴承 | 品牌: | SKF |
|---|---|---|---|
| 类型: | SKF轴承 > 滚动轴承 > 多辊式轧钢机支承轴承 | ||
| 描述: | BNTB 326074 B/HB1轴承是【SKF轴承 > 滚动轴承 > 多辊式轧钢机支承轴承】的型号,主要用在燃汽轮机、罗茨鼓风机、压缩机、建筑机械、各类产业用减速机、制铁制钢机械、电机厂、烟草机械、起重机械、码垛机器人等各大领域 | ||
电话/微信:138-8949-5179
SKF BNTB 326074 B/HB1轴承详细信息
BNTB 326074 B/HB1轴承是【SKF轴承 > 滚动轴承 > 多辊式轧钢机支承轴承】的型号,主要用在燃汽轮机、罗茨鼓风机、压缩机、建筑机械、各类产业用减速机、制铁制钢机械、电机厂、烟草机械、起重机械、码垛机器人等各大领域。
SKF BNTB 326074 B/HB1轴承详细参数
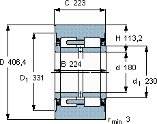
| 用于多辊轧机的背辊轴承, 用于多辊轧机的背辊轴承 | |||||||||||
| 主要数据尺寸 | 基本负荷额定值 | 最大径向负荷 | 体积 | 型号 | |||||||
| 滚子 | |||||||||||
| 动态 | 静态 | 动态 | 静态 | ||||||||
| D | d | B | C | H | C | C0 | Fr | F0r | |||
| mm | kN | kN | kg | - | |||||||
| 406,4 | 180 | 224 | 223 | 113,2 | 1760 | 2900 | 1290 | 1860 | 170 | BNTB 326074 B/HB1 | |
SKF BNTB 326074 B/HB1轴承尺寸图纸

