轴承专区
Bearings Center
QJ 328 N2MA *轴承-SKF QJ 328 N2MA *轴承尺寸、图纸、价格
SKF QJ 328 N2MA *轴承
| 产品名称: | QJ 328 N2MA *轴承 | 品牌: | SKF |
|---|---|---|---|
| 类型: | SKF轴承 > 滚动轴承 > 角接触球轴承 | ||
| 描述: | QJ 328 N2MA *轴承是【SKF轴承 > 滚动轴承 > 角接触球轴承】的型号,主要用在仪表、印刷机械、中型及大型电动机、轧钢机辊颈、各类产业用减速机、石油钻机转环、碾煤机、医药设备、轻工机械、钢包回转台等各大领域 | ||
电话/微信:138-8949-5179
SKF QJ 328 N2MA *轴承详细信息
QJ 328 N2MA *轴承是【SKF轴承 > 滚动轴承 > 角接触球轴承】的型号,主要用在仪表、印刷机械、中型及大型电动机、轧钢机辊颈、各类产业用减速机、石油钻机转环、碾煤机、医药设备、轻工机械、钢包回转台等各大领域。
SKF QJ 328 N2MA *轴承详细参数
| 角接触球轴承, 四点接触球轴承 | ||||||||||
| 主要数据尺寸 | 基本负荷额定值 | 疲劳负荷限值 | 额定速度 | 体积 | 型号 | |||||
| 动态 | 静态 | 参照速度 | 限制速度 | |||||||
| d | D | B | C | C0 | Pu | * - SKF Explorer 轴承 | ||||
| mm | kN | kN | r/min | kg | - | |||||
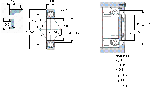
| 140 | 300 | 62 | 500 | 695 | 20 | 2800 | 3800 | 24,0 | QJ 328 N2MA * | |
SKF QJ 328 N2MA *轴承尺寸图纸

