轴承专区
Bearings Center
F 1.1/4 AFM轴承-SKF F 1.1/4 AFM轴承尺寸、图纸、价格
SKF F 1.1/4 AFM轴承
| 产品名称: | F 1.1/4 AFM轴承 | 品牌: | SKF |
|---|---|---|---|
| 类型: | SKF轴承 > 轴承单元 > Y-轴承法兰单元 | ||
| 描述: | F 1.1/4 AFM轴承是【SKF轴承 > 轴承单元 > Y-轴承法兰单元】的型号,主要用在家用电器、油泵、挖土机履带轮、机床主轴、铁路车辆车轴、石油钻机、塔吊、塑料、解体机、塔式车库等各大领域 | ||
电话/微信:138-8949-5179
SKF F 1.1/4 AFM轴承详细信息
F 1.1/4 AFM轴承是【SKF轴承 > 轴承单元 > Y-轴承法兰单元】的型号,主要用在家用电器、油泵、挖土机履带轮、机床主轴、铁路车辆车轴、石油钻机、塔吊、塑料、解体机、塔式车库等各大领域。
SKF F 1.1/4 AFM轴承详细参数
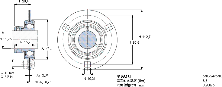
| Y-型轴承带法兰单元, 冲压钢轴承座,偏心锁定轴环 | ||||||||||||
| 尺寸 | 基本负荷额定值 | 可允许住 | 质量 | 轴承单元 | 定购代号 | |||||||
| 动态 | 静态 | 房装载 | 轴承 | 轴承座 | 轴承 | |||||||
| d | Da | H | J | T | C | C0 | 径向 | 单元 | ||||
| mm | kN | kN | kg | - | ||||||||
| 31,75 | 71,5 | 112,7 | 90,5 | 29,4 | 19,5 | 11,2 | - | 0,58 | F 1.1/4 AFM | 62MM-3 | YET 206-104 | |
SKF F 1.1/4 AFM轴承尺寸图纸

