轴承专区
Bearings Center
307 NR轴承-SKF 307 NR轴承尺寸、图纸、价格
SKF 307 NR轴承
| 产品名称: | 307 NR轴承 | 品牌: | SKF |
|---|---|---|---|
| 类型: | SKF轴承 > 滚动轴承 > 深沟球轴承 | ||
| 描述: | 307 NR轴承是【SKF轴承 > 滚动轴承 > 深沟球轴承】的型号,主要用在各种产业机械、差速器小齿轮轴、汽车发动机、小齿轮轴、破碎机、机床主轴、发电厂、玩具、混凝土机械、雷达等各大领域 | ||
电话/微信:138-8949-5179
SKF 307 NR轴承详细信息
307 NR轴承是【SKF轴承 > 滚动轴承 > 深沟球轴承】的型号,主要用在各种产业机械、差速器小齿轮轴、汽车发动机、小齿轮轴、破碎机、机床主轴、发电厂、玩具、混凝土机械、雷达等各大领域。
SKF 307 NR轴承详细参数
| 深沟球轴承, 单列,带装球缺口和止动环槽, 无密封件 | |||||||||||
| 主要数据尺寸 | 基本负荷额定值 | 疲劳负荷限值 | 额定速度 | 体积 | 型号 | ||||||
| 动态 | 静态 | 参照速度 | 限制速度 | 轴承,带止动环 | 止动环 | ||||||
| d | D | B | C | C0 | Pu | ||||||
| mm | kN | kN | r/min | kg | - | ||||||
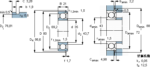
| 35 | 80 | 21 | 39,1 | 28,5 | 1,2 | 16000 | 10000 | 0,48 | 307 NR | SP 80 | |
SKF 307 NR轴承尺寸图纸

