轴承专区
Bearings Center
BBFB 304256轴承-SKF BBFB 304256轴承尺寸、图纸、价格
SKF BBFB 304256轴承
| 产品名称: | BBFB 304256轴承 | 品牌: | SKF |
|---|---|---|---|
| 类型: | SKF轴承 > 滚动轴承 > 深沟球轴承 | ||
| 描述: | BBFB 304256轴承是【SKF轴承 > 滚动轴承 > 深沟球轴承】的型号,主要用在家用电器、空气压缩机、燃汽轮机、大型农业机械、木工机械、汽车转向销、塔吊、陶瓷机械、掘进机、雷达等各大领域 | ||
电话/微信:138-8949-5179
SKF BBFB 304256轴承详细信息
BBFB 304256轴承是【SKF轴承 > 滚动轴承 > 深沟球轴承】的型号,主要用在家用电器、空气压缩机、燃汽轮机、大型农业机械、木工机械、汽车转向销、塔吊、陶瓷机械、掘进机、雷达等各大领域。
SKF BBFB 304256轴承详细参数
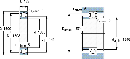
| 深沟球轴承, 单列,带装球缺口,不带保持架 | ||||||
| 主要数据尺寸 | 基本负荷额定值 | 体积 | 型号 | |||
| 静态 | ||||||
| d | D | B | C0 | |||
| mm | kN | kg | - | |||
| 1320 | 1600 | 122 | 5300 | 450 | BBFB 304256 | |
SKF BBFB 304256轴承尺寸图纸

