轴承专区
Bearings Center
KMFE 18轴承-SKF KMFE 18轴承尺寸、图纸、价格
SKF KMFE 18轴承
| 产品名称: | KMFE 18轴承 | 品牌: | SKF |
|---|---|---|---|
| 类型: | SKF轴承 > 滚动轴承 > 轴承附件 | ||
| 描述: | KMFE 18轴承是【SKF轴承 > 滚动轴承 > 轴承附件】的型号,主要用在电气装置部件、燃汽轮机、桥式起重机、后轮、造纸机械、起重机吊钩、船舶用螺旋桨轴、精细化工机械、专用车、风力发电设备等各大领域 | ||
电话/微信:138-8949-5179
SKF KMFE 18轴承详细信息
KMFE 18轴承是【SKF轴承 > 滚动轴承 > 轴承附件】的型号,主要用在电气装置部件、燃汽轮机、桥式起重机、后轮、造纸机械、起重机吊钩、船舶用螺旋桨轴、精细化工机械、专用车、风力发电设备等各大领域。
SKF KMFE 18轴承详细参数
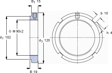
| 带锁紧螺钉的KMFE锁紧定螺母 | ||||||||||
| 螺纹尺寸 | 尺寸 | 轴向负荷 | 体积 | 型号 | 平头螺钉 | |||||
| 承载能力 | 锁定螺母 | 适宜的板手 | 尺寸 | 推荐的紧固扭矩 | ||||||
| d3 | B | G | 静态 | |||||||
| - | mm | - | kN | kg | - | - | Nm | |||
| 90 | 120 | 19 | M 90x2 | 216 | 0,58 | KMFE 18 | HN 18-20 | M 8 | 18 | |
SKF KMFE 18轴承尺寸图纸

