李工:138-8949-5179 刘工:135-0428-8802
型号查询
轴承型号   常见搜索: 6906轴承 6002轴承 6012轴承 6015轴承 71913轴承 6017轴承
型号查询 X

轴承专区

Bearings Center

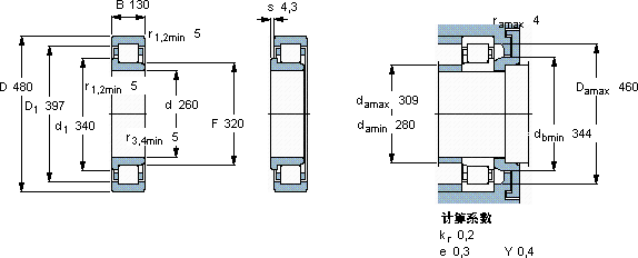
NJ 2252 MA轴承-SKF NJ 2252 MA轴承尺寸、图纸、价格

SKF NJ 2252 MA轴承

产品名称:NJ 2252 MA轴承 品牌:SKF
类型:SKF轴承 > 滚动轴承 > 圆柱滚子轴承
描述:NJ 2252 MA轴承是【SKF轴承 > 滚动轴承 > 圆柱滚子轴承】的型号,主要用在仪表、高频马达、变速器、前轮、破碎机、机床等的变速装置、碾煤机、制鞋、压路机、厨具设备等各大领域

 电话/微信:138-8949-5179

SKF NJ 2252 MA轴承详细信息

NJ 2252 MA轴承是【SKF轴承 > 滚动轴承 > 圆柱滚子轴承】的型号,主要用在仪表、高频马达、变速器、前轮、破碎机、机床等的变速装置、碾煤机、制鞋、压路机、厨具设备等各大领域。

SKF NJ 2252 MA轴承详细参数

圆柱滚子轴承, 单列, NJ 设计
主要数据尺寸基本负荷额定值疲劳负荷限值额定速度体积型号适宜的斜挡圈
动态静态参照速度限制速度型号
dDBCC0Pu
mmkNkNr/minkg--
2604801301790300027513002000112NJ 2252 MA-

SKF NJ 2252 MA轴承尺寸图纸

李工:138-8949-5179

刘工:135-0428-8802

地址:辽宁省大连经济技术开发区现代城3栋-13-13号

在线客服系统