轴承专区
Bearings Center
RMS 24轴承-SKF RMS 24轴承尺寸、图纸、价格
SKF RMS 24轴承
| 产品名称: | RMS 24轴承 | 品牌: | SKF |
|---|---|---|---|
| 类型: | SKF轴承 > 滚动轴承 > 深沟球轴承 | ||
| 描述: | RMS 24轴承是【SKF轴承 > 滚动轴承 > 深沟球轴承】的型号,主要用在各种产业机械、印刷机械、变速器、轧钢机辊颈、减速装置、石油钻机转环、发电厂、玩具、轻工机械、雷达等各大领域 | ||
电话/微信:138-8949-5179
SKF RMS 24轴承详细信息
RMS 24轴承是【SKF轴承 > 滚动轴承 > 深沟球轴承】的型号,主要用在各种产业机械、印刷机械、变速器、轧钢机辊颈、减速装置、石油钻机转环、发电厂、玩具、轻工机械、雷达等各大领域。
SKF RMS 24轴承详细参数
| 深沟球轴承, 单列, 无密封件,带英制尺寸 | |||||||||||
| 主要数据尺寸 | 基本负荷额定值 | 疲劳负荷限值 | 额定速度 | 体积 | 型号 | ||||||
| 动态 | 静态 | 参照速度 | 限制速度 | ||||||||
| d | D | B | C | C0 | Pu | ||||||
| mm | kN | kN | r/min | kg | - | ||||||
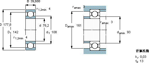
| 76,2 | 177,8 | 39,688 | 124 | 86,5 | 3,25 | 7500 | 5300 | 4,40 | RMS 24 | 仅对售后市场 | |
SKF RMS 24轴承尺寸图纸

