轴承专区
Bearings Center
HMVC 170E轴承-SKF HMVC 170E轴承尺寸、图纸、价格
SKF HMVC 170E轴承
| 产品名称: | HMVC 170E轴承 | 品牌: | SKF |
|---|---|---|---|
| 类型: | SKF轴承 > 滚动轴承 > 轴承附件 | ||
| 描述: | HMVC 170E轴承是【SKF轴承 > 滚动轴承 > 轴承附件】的型号,主要用在仪表、高频马达、燃汽轮机、前轮、印刷机械、机床主轴、碾煤机、电子、挖掘机、厨具设备等各大领域 | ||
电话/微信:138-8949-5179
SKF HMVC 170E轴承详细信息
HMVC 170E轴承是【SKF轴承 > 滚动轴承 > 轴承附件】的型号,主要用在仪表、高频马达、燃汽轮机、前轮、印刷机械、机床主轴、碾煤机、电子、挖掘机、厨具设备等各大领域。
SKF HMVC 170E轴承详细参数
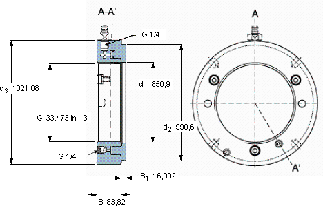
| Hydraulic nuts, inch sizes | ||||||||||||
| 螺纹尺寸 | 尺寸 | Permitted | Piston area | 体积 | 型号 | |||||||
| piston | ||||||||||||
| G | d1 | d2 | d3 | B | B1 | displacement | ||||||
| mm | mm (metric sizes) | mm | mm | mm2 (metric sizes) | kg | - | ||||||
| in - threads/in (inch sizes) | in2 (inch sizes) | |||||||||||
| 845,464 | 33.473 in - 3 | 850,9 | 990,6 | 1021,08 | 83,82 | 16,002 | 25,908 | 177,6 | 399 | HMVC 170E | - | |
SKF HMVC 170E轴承尺寸图纸

