轴承专区
Bearings Center
61813轴承-SKF 61813轴承尺寸、图纸、价格
SKF 61813轴承
| 产品名称: | 61813轴承 | 品牌: | SKF |
|---|---|---|---|
| 类型: | SKF轴承 > 滚动轴承 > 深沟球轴承 | ||
| 描述: | 61813轴承是【SKF轴承 > 滚动轴承 > 深沟球轴承】的型号,主要用在通用电动机、差速器小齿轮轴、变速器、小齿轮轴、轧钢机齿轮箱座、机床主轴、轧钢机轧制螺杆用减速机、烟草机械、挖掘机、刮泥机等各大领域 | ||
电话/微信:138-8949-5179
SKF 61813轴承详细信息
61813轴承是【SKF轴承 > 滚动轴承 > 深沟球轴承】的型号,主要用在通用电动机、差速器小齿轮轴、变速器、小齿轮轴、轧钢机齿轮箱座、机床主轴、轧钢机轧制螺杆用减速机、烟草机械、挖掘机、刮泥机等各大领域。
SKF 61813轴承详细参数
| 深沟球轴承, 单列, 无密封件 | |||||||||||
| 主要数据尺寸 | 基本负荷额定值 | 疲劳负荷限值 | 额定速度 | 体积 | 型号 | ||||||
| 动态 | 静态 | 参照速度 | 限制速度 | ||||||||
| d | D | B | C | C0 | Pu | ||||||
| mm | kN | kN | r/min | kg | - | ||||||
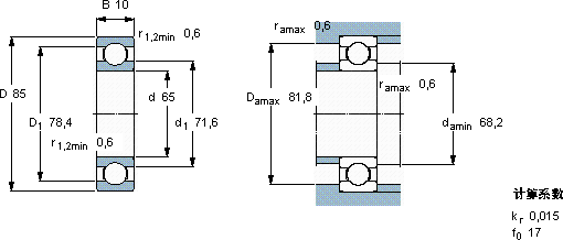
| 65 | 85 | 10 | 12,4 | 12,7 | 0,54 | 16000 | 10000 | 0,13 | 61813 | ||
SKF 61813轴承尺寸图纸

