轴承专区
Bearings Center
53416 M轴承-SKF 53416 M轴承尺寸、图纸、价格
SKF 53416 M轴承
| 产品名称: | 53416 M轴承 | 品牌: | SKF |
|---|---|---|---|
| 类型: | SKF轴承 > 滚动轴承 > 推力球轴承 | ||
| 描述: | 53416 M轴承是【SKF轴承 > 滚动轴承 > 推力球轴承】的型号,主要用在燃汽轮机、高频马达、减速装置、前轮、破碎机、机床主轴、电机厂、玩具、混凝土机械、码垛机器人等各大领域 | ||
电话/微信:138-8949-5179
SKF 53416 M轴承详细信息
53416 M轴承是【SKF轴承 > 滚动轴承 > 推力球轴承】的型号,主要用在燃汽轮机、高频马达、减速装置、前轮、破碎机、机床主轴、电机厂、玩具、混凝土机械、码垛机器人等各大领域。
SKF 53416 M轴承详细参数
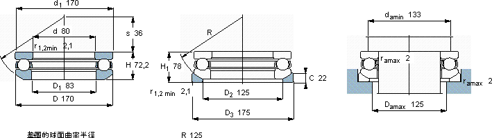
| 推力球轴承, 单向,带球面轴承座垫圈 | ||||||||||||
| 主要数据尺寸 | 基本负荷额定值 | 疲劳负荷限值 | 最小负荷系数 | 额定速度 | 体积 | 型号 | ||||||
| 动态 | 静态 | 参照速度 | 限制速度 | 轴承 +垫圈 | 轴承 | 基座垫圈 | ||||||
| d | D | H1 | C | C0 | Pu | A | ||||||
| mm | kN | kN | - | r/min | kg | - | ||||||
| 80 | 170 | 78 | 270 | 670 | 22,4 | 2,3 | 1200 | 1700 | 9,40 | 53416 M | U 416 | |
SKF 53416 M轴承尺寸图纸

