轴承专区
Bearings Center
HMV 20E轴承-SKF HMV 20E轴承尺寸、图纸、价格
SKF HMV 20E轴承
| 产品名称: | HMV 20E轴承 | 品牌: | SKF |
|---|---|---|---|
| 类型: | SKF轴承 > 滚动轴承 > 轴承附件 | ||
| 描述: | HMV 20E轴承是【SKF轴承 > 滚动轴承 > 轴承附件】的型号,主要用在燃汽轮机、差速器小齿轮轴、燃汽轮机、小齿轮轴、轧钢机齿轮箱座、机床主轴、电机厂、玩具、混凝土机械、数控设备等各大领域 | ||
电话/微信:138-8949-5179
SKF HMV 20E轴承详细信息
HMV 20E轴承是【SKF轴承 > 滚动轴承 > 轴承附件】的型号,主要用在燃汽轮机、差速器小齿轮轴、燃汽轮机、小齿轮轴、轧钢机齿轮箱座、机床主轴、电机厂、玩具、混凝土机械、数控设备等各大领域。
SKF HMV 20E轴承详细参数
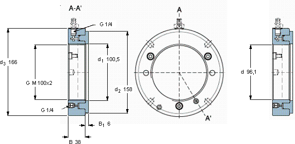
| Hydraulic nuts, metric sizes | ||||||||||||
| 螺纹尺寸 | 尺寸 | Permitted | Piston area | 体积 | 型号 | |||||||
| piston | ||||||||||||
| G | d1 | d2 | d3 | B | B1 | displacement | ||||||
| mm | mm (metric sizes) | mm | mm | mm2 (metric sizes) | kg | - | ||||||
| in - threads/in (inch sizes) | in2 (inch sizes) | |||||||||||
| 100 | M 100x2 | 100,5 | 158 | 166 | 38 | 6 | 5 | 5100 | 4,40 | HMV 20E | HMV 20E/A101 | |
SKF HMV 20E轴承尺寸图纸

