轴承专区
Bearings Center
SIJ 12 E轴承-SKF SIJ 12 E轴承尺寸、图纸、价格
SKF SIJ 12 E轴承
| 产品名称: | SIJ 12 E轴承 | 品牌: | SKF |
|---|---|---|---|
| 类型: | SKF轴承 > 球面滑动轴承和杆端关节轴承 > 需维护的杆端关节轴承 | ||
| 描述: | SIJ 12 E轴承是【SKF轴承 > 球面滑动轴承和杆端关节轴承 > 需维护的杆端关节轴承】的型号,主要用在农业机械、油泵、木工机械、机床主轴、轧钢机辊道子、石油钻机、钢铁厂、饮料设备、解体机、太阳能发电设备等各大领域 | ||
电话/微信:138-8949-5179
SKF SIJ 12 E轴承详细信息
SIJ 12 E轴承是【SKF轴承 > 球面滑动轴承和杆端关节轴承 > 需维护的杆端关节轴承】的型号,主要用在农业机械、油泵、木工机械、机床主轴、轧钢机辊道子、石油钻机、钢铁厂、饮料设备、解体机、太阳能发电设备等各大领域。
SKF SIJ 12 E轴承详细参数
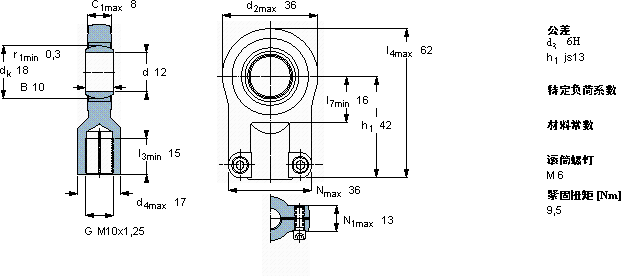
| 需要维护的杆端, 钢对钢,阴螺纹,用于液压滚筒 | |||||||||||
| 主要数据尺寸 | 角度倾的 | 基本负荷额定值 | 质量 | 型号 | |||||||
| 动态 | 静态 | 杆端带右旋螺纹 | |||||||||
| d | d2 | B | d3 | C1 | h1 | ± | C | C0 | |||
| 6H | |||||||||||
| mm | 度数 | kN | kg | - | |||||||
| 12 | 36 | 10 | M10x1,25 | 8 | 42 | 3 | 10,8 | 17 | 0,15 | SIJ 12 E | |
SKF SIJ 12 E轴承尺寸图纸

