轴承专区
Bearings Center
23022-2CS/VT143 *轴承-SKF 23022-2CS/VT143 *轴承尺寸、图纸、价格
SKF 23022-2CS/VT143 *轴承
| 产品名称: | 23022-2CS/VT143 *轴承 | 品牌: | SKF |
|---|---|---|---|
| 类型: | SKF轴承 > 滚动轴承 > 球面滚子轴承 | ||
| 描述: | 23022-2CS/VT143 *轴承是【SKF轴承 > 滚动轴承 > 球面滚子轴承】的型号,主要用在电气装置部件、机床主轴、汽车发动机、汽车、振动筛、汽车转向销、船舶用螺旋桨轴、钟表、掘进机、摩天轮等各大领域 | ||
电话/微信:138-8949-5179
SKF 23022-2CS/VT143 *轴承详细信息
23022-2CS/VT143 *轴承是【SKF轴承 > 滚动轴承 > 球面滚子轴承】的型号,主要用在电气装置部件、机床主轴、汽车发动机、汽车、振动筛、汽车转向销、船舶用螺旋桨轴、钟表、掘进机、摩天轮等各大领域。
SKF 23022-2CS/VT143 *轴承详细参数
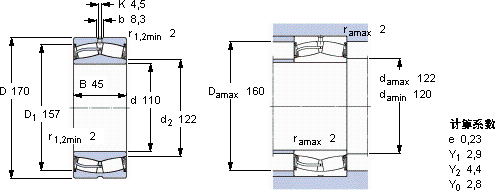
| 球面滚子轴承, 圆柱和圆锥孔, 圆柱型内孔, 两面密封件 | ||||||||||
| 主要数据尺寸 | 基本负荷额定值 | 疲劳负荷限值 | 额定速度 | 体积 | 型号 | |||||
| 动态 | 静态 | 参照速度 | 限制速度 | |||||||
| d | D | B | C | C0 | Pu | * - SKF Explorer 轴承 | ||||
| mm | kN | kN | r/min | kg | - | |||||
| 110 | 170 | 45 | 310 | 440 | 46,5 | - | 900 | 3,8 | 23022-2CS/VT143 * | |
SKF 23022-2CS/VT143 *轴承尺寸图纸

