轴承专区
Bearings Center
22214 EK + AH 314 G *轴承-SKF 22214 EK + AH 314 G *轴承尺寸、图纸、价格
SKF 22214 EK + AH 314 G *轴承
| 产品名称: | 22214 EK + AH 314 G *轴承 | 品牌: | SKF |
|---|---|---|---|
| 类型: | SKF轴承 > 滚动轴承 > 球面滚子轴承 | ||
| 描述: | 22214 EK + AH 314 G *轴承是【SKF轴承 > 滚动轴承 > 球面滚子轴承】的型号,主要用在各种产业机械、各类变速器、发电机、铁路车辆、各类产业用减速机、机床等的变速装置、发电厂、薄膜拉伸、工程船舶、塔式车库等各大领域 | ||
电话/微信:138-8949-5179
SKF 22214 EK + AH 314 G *轴承详细信息
22214 EK + AH 314 G *轴承是【SKF轴承 > 滚动轴承 > 球面滚子轴承】的型号,主要用在各种产业机械、各类变速器、发电机、铁路车辆、各类产业用减速机、机床等的变速装置、发电厂、薄膜拉伸、工程船舶、塔式车库等各大领域。
SKF 22214 EK + AH 314 G *轴承详细参数
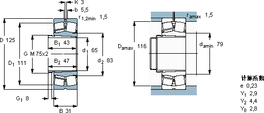
| 球面滚子轴承, 带退卸套的 | ||||||||||
| 主要数据尺寸 | 基本负荷额定值 | 疲劳负荷限值 | 额定速度 | 体积 | 型号 | |||||
| 动态 | 静态 | 参照速度 | 限制速度 | 轴承 +退卸套 | ||||||
| d1 | D | B | C | C0 | Pu | |||||
| * - SKF Explorer 轴承 | ||||||||||
| mm | kN | kN | r/min | kg | - | |||||
| 65 | 125 | 31 | 208 | 228 | 25,5 | 5000 | 6700 | 1,80 | 22214 EK + AH 314 G * | |
SKF 22214 EK + AH 314 G *轴承尺寸图纸

