轴承专区
Bearings Center
HMV 10E轴承-SKF HMV 10E轴承尺寸、图纸、价格
SKF HMV 10E轴承
| 产品名称: | HMV 10E轴承 | 品牌: | SKF |
|---|---|---|---|
| 类型: | SKF轴承 > 滚动轴承 > 轴承附件 | ||
| 描述: | HMV 10E轴承是【SKF轴承 > 滚动轴承 > 轴承附件】的型号,主要用在建筑机械、各类变速器、提升机、铁路车辆、轧钢机齿轮箱座、机床等的变速装置、成形机、塑料、压路机、港口起重机等各大领域 | ||
电话/微信:138-8949-5179
SKF HMV 10E轴承详细信息
HMV 10E轴承是【SKF轴承 > 滚动轴承 > 轴承附件】的型号,主要用在建筑机械、各类变速器、提升机、铁路车辆、轧钢机齿轮箱座、机床等的变速装置、成形机、塑料、压路机、港口起重机等各大领域。
SKF HMV 10E轴承详细参数
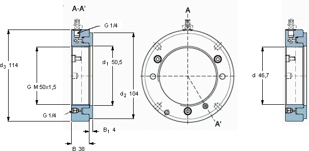
| Hydraulic nuts, metric sizes | ||||||||||||
| 螺纹尺寸 | 尺寸 | Permitted | Piston area | 体积 | 型号 | |||||||
| piston | ||||||||||||
| G | d1 | d2 | d3 | B | B1 | displacement | ||||||
| mm | mm (metric sizes) | mm | mm | mm2 (metric sizes) | kg | - | ||||||
| in - threads/in (inch sizes) | in2 (inch sizes) | |||||||||||
| 50 | M 50x1,5 | 50,5 | 104 | 114 | 38 | 4 | 5 | 2900 | 2,70 | HMV 10E | HMV 10E/A101 | |
SKF HMV 10E轴承尺寸图纸

