李工:138-8949-5179 刘工:135-0428-8802
型号查询
轴承型号   常见搜索: 6016轴承 6007轴承 23136轴承 6004轴承 6009轴承 32313轴承
型号查询 X

轴承专区

Bearings Center

351100 C轴承-SKF 351100 C轴承尺寸、图纸、价格

SKF 351100 C轴承

产品名称:351100 C轴承 品牌:SKF
类型:SKF轴承 > 滚动轴承 > 圆锥滚子推力轴承
描述:351100 C轴承是【SKF轴承 > 滚动轴承 > 圆锥滚子推力轴承】的型号,主要用在电气装置部件、油泵、挖土机履带轮、机床主轴、轧钢机辊道子、起重机吊钩、船舶用螺旋桨轴、纺织、专用车、摩天轮等各大领域

 电话/微信:138-8949-5179

SKF 351100 C轴承详细信息

351100 C轴承是【SKF轴承 > 滚动轴承 > 圆锥滚子推力轴承】的型号,主要用在电气装置部件、油泵、挖土机履带轮、机床主轴、轧钢机辊道子、起重机吊钩、船舶用螺旋桨轴、纺织、专用车、摩天轮等各大领域。

SKF 351100 C轴承详细参数

圆锥滚子推力轴承, 双向
主要数据尺寸基本负荷额定值疲劳负荷限值最小负荷系数型号
动态静态
dDHCC0Pu
mmkNkNkg-
3504901301170510034573,5351100 C

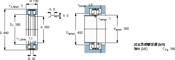
SKF 351100 C轴承尺寸图纸

李工:138-8949-5179

刘工:135-0428-8802

地址:辽宁省大连经济技术开发区现代城3栋-13-13号

在线客服系统