轴承专区
Bearings Center
C 2212 KV + H 312 *轴承-SKF C 2212 KV + H 312 *轴承尺寸、图纸、价格
SKF C 2212 KV + H 312 *轴承
| 产品名称: | C 2212 KV + H 312 *轴承 | 品牌: | SKF |
|---|---|---|---|
| 类型: | SKF轴承 > 滚动轴承 > CARB®圆环滚子轴承 | ||
| 描述: | C 2212 KV + H 312 *轴承是【SKF轴承 > 滚动轴承 > CARB®圆环滚子轴承】的型号,主要用在铁路车辆、油泵、中型及大型电动机、机床主轴、铁路车辆车轴、起重机吊钩、冶炼厂、纺织、专用车、机械手等各大领域 | ||
电话/微信:138-8949-5179
SKF C 2212 KV + H 312 *轴承详细信息
C 2212 KV + H 312 *轴承是【SKF轴承 > 滚动轴承 > CARB®圆环滚子轴承】的型号,主要用在铁路车辆、油泵、中型及大型电动机、机床主轴、铁路车辆车轴、起重机吊钩、冶炼厂、纺织、专用车、机械手等各大领域。
SKF C 2212 KV + H 312 *轴承详细参数
| CARB圆环滚子轴承, 带紧定套的, 满 | |||||||||||
| 主要数据尺寸 | 基本负荷额定值 | 疲劳负荷限值 | 额定速度 | 体积 | 型号 | ||||||
| 动态 | 静态 | 参照速度 | 限制速度 | 轴承 + 紧定套 | |||||||
| d1 | D | B | C | C0 | Pu | * - SKF Explorer 轴承 | **-请查实能否供货 | ||||
| mm | kN | kN | r/min | kg | - | ||||||
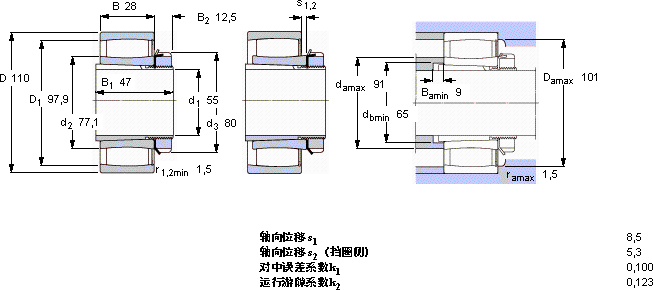
| 55 | 110 | 28 | 166 | 190 | 22,4 | - | 2800 | 1,50 | C 2212 KV + H 312 * | - | |
SKF C 2212 KV + H 312 *轴承尺寸图纸

