李工:138-8949-5179 刘工:135-0428-8802
型号查询
轴承型号   常见搜索: 6900轴承 nu轴承 6014轴承 71913轴承 6008轴承 2026轴承
型号查询 X

轴承专区

Bearings Center

23022 CC/W33 *轴承-SKF 23022 CC/W33 *轴承尺寸、图纸、价格

SKF 23022 CC/W33 *轴承

产品名称:23022 CC/W33 *轴承 品牌:SKF
类型:SKF轴承 > 滚动轴承 > 球面滚子轴承
描述:23022 CC/W33 *轴承是【SKF轴承 > 滚动轴承 > 球面滚子轴承】的型号,主要用在后轮、燃料喷射泵、燃汽轮机、齿轮减速装置、轧钢机辊道子、起重机吊钩、水力发电机、薄膜拉伸、强夯机、泥炮等各大领域

 电话/微信:138-8949-5179

SKF 23022 CC/W33 *轴承详细信息

23022 CC/W33 *轴承是【SKF轴承 > 滚动轴承 > 球面滚子轴承】的型号,主要用在后轮、燃料喷射泵、燃汽轮机、齿轮减速装置、轧钢机辊道子、起重机吊钩、水力发电机、薄膜拉伸、强夯机、泥炮等各大领域。

SKF 23022 CC/W33 *轴承详细参数

球面滚子轴承, 圆柱和圆锥孔, 圆柱型内孔, 无密封件
主要数据尺寸基本负荷额定值疲劳负荷限值额定速度体积型号
动态静态参照速度限制速度
dDBCC0Pu * - SKF Explorer 轴承
mmkNkNr/minkg-
1101704531044046,5340043003,8023022 CC/W33 *

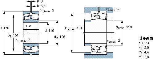
SKF 23022 CC/W33 *轴承尺寸图纸

李工:138-8949-5179

刘工:135-0428-8802

地址:辽宁省大连经济技术开发区现代城3栋-13-13号

在线客服系统