李工:138-8949-5179 刘工:135-0428-8802
型号查询
轴承型号   常见搜索: 6906轴承 *轴承 6030轴承 6304轴承 6305轴承 6020轴承
型号查询 X

轴承专区

Bearings Center

HMVC 126E轴承-SKF HMVC 126E轴承尺寸、图纸、价格

SKF HMVC 126E轴承

产品名称:HMVC 126E轴承 品牌:SKF
类型:SKF轴承 > 滚动轴承 > 轴承附件
描述:HMVC 126E轴承是【SKF轴承 > 滚动轴承 > 轴承附件】的型号,主要用在建筑机械、高频马达、减速装置、前轮、破碎机、机床等的变速装置、成形机、烟草机械、压路机、泥炮等各大领域

 电话/微信:138-8949-5179

SKF HMVC 126E轴承详细信息

HMVC 126E轴承是【SKF轴承 > 滚动轴承 > 轴承附件】的型号,主要用在建筑机械、高频马达、减速装置、前轮、破碎机、机床等的变速装置、成形机、烟草机械、压路机、泥炮等各大领域。

SKF HMVC 126E轴承详细参数

Hydraulic nuts, inch sizes
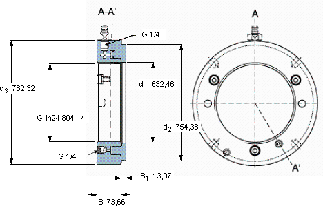
螺纹尺寸尺寸PermittedPiston area体积型号
piston
Gd1d2d3BB1displacement
mmmm (metric sizes)mmmmmm2 (metric sizes)kg-
in - threads/in (inch sizes)in2 (inch sizes)
626,339in24.804 - 4632,46754,38782,3273,6613,9723,114113243HMVC 126E-

SKF HMVC 126E轴承尺寸图纸

李工:138-8949-5179

刘工:135-0428-8802

地址:辽宁省大连经济技术开发区现代城3栋-13-13号

在线客服系统