轴承专区
Bearings Center
BTW 180 CM/SP轴承-SKF BTW 180 CM/SP轴承尺寸、图纸、价格
SKF BTW 180 CM/SP轴承
| 产品名称: | BTW 180 CM/SP轴承 | 品牌: | SKF |
|---|---|---|---|
| 类型: | SKF轴承 > 超高精密轴承 > Double direction angular contact thrust ball bearings in the BTW series | ||
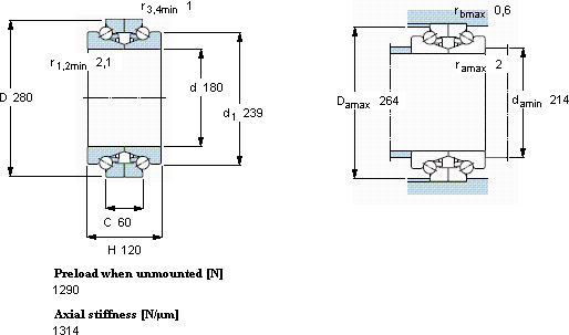
| 描述: | BTW 180 CM/SP轴承是【SKF轴承 > 超高精密轴承 > Double direction angular contact thrust ball bearings in the BTW series】的型号,主要用在各种产业机械、各类变速器、桥式起重机、铁路车辆、各类产业用减速机、机床主轴、发电厂、饮料设备、混凝土机械、塔式车库等各大领域 | ||
电话/微信:138-8949-5179
SKF BTW 180 CM/SP轴承详细信息
BTW 180 CM/SP轴承是【SKF轴承 > 超高精密轴承 > Double direction angular contact thrust ball bearings in the BTW series】的型号,主要用在各种产业机械、各类变速器、桥式起重机、铁路车辆、各类产业用减速机、机床主轴、发电厂、饮料设备、混凝土机械、塔式车库等各大领域。
SKF BTW 180 CM/SP轴承详细参数
| 主要数据尺寸 | 基本负荷额定值 | 疲劳负荷限值 | 可达到的速度 | 体积 | 型号 | ||||||
| 动态 | 静态 | 疲劳负荷限值 | 当润滑与 | ||||||||
| 疲劳负荷限值 | 油脂 | 滴油润滑 | |||||||||
| d | D | H | C | C | C0 | Pu | |||||
| mm | kN | kN | r/min | kg | - | ||||||
| 180 | 280 | 120 | 60 | 199 | 710 | 22,4 | 2000 | 2600 | 23,0 | BTW 180 CM/SP | |
SKF BTW 180 CM/SP轴承尺寸图纸

