轴承专区
Bearings Center
313450 B轴承-SKF 313450 B轴承尺寸、图纸、价格
SKF 313450 B轴承
| 产品名称: | 313450 B轴承 | 品牌: | SKF |
|---|---|---|---|
| 类型: | SKF轴承 > 滚动轴承 > 圆柱滚子轴承 | ||
| 描述: | 313450 B轴承是【SKF轴承 > 滚动轴承 > 圆柱滚子轴承】的型号,主要用在电气装置部件、燃汽轮机、汽车发动机、后轮、造纸机械、起重机吊钩、船舶用螺旋桨轴、塑料、专用车、风力发电设备等各大领域 | ||
电话/微信:138-8949-5179
SKF 313450 B轴承详细信息
313450 B轴承是【SKF轴承 > 滚动轴承 > 圆柱滚子轴承】的型号,主要用在电气装置部件、燃汽轮机、汽车发动机、后轮、造纸机械、起重机吊钩、船舶用螺旋桨轴、塑料、专用车、风力发电设备等各大领域。
SKF 313450 B轴承详细参数
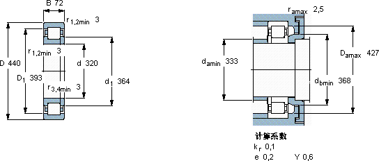
| 圆柱滚子轴承, 单列, NUP 设计 | ||||||||||||
| 主要数据尺寸 | 基本负荷额定值 | 疲劳负荷限值 | 额定速度 | 体积 | 型号 | 适宜的斜挡圈 | ||||||
| 动态 | 静态 | 参照速度 | 限制速度 | 型号 | ||||||||
| d | D | B | C | C0 | Pu | |||||||
| mm | kN | kN | r/min | kg | - | - | ||||||
| 320 | 440 | 72 | 765 | 1500 | 140 | 1400 | 1400 | 34,5 | 313450 B | - | ||
SKF 313450 B轴承尺寸图纸

