轴承专区
Bearings Center
BT4B 334031/HA4轴承-SKF BT4B 334031/HA4轴承尺寸、图纸、价格
SKF BT4B 334031/HA4轴承
| 产品名称: | BT4B 334031/HA4轴承 | 品牌: | SKF |
|---|---|---|---|
| 类型: | SKF轴承 > 滚动轴承 > 圆锥滚子轴承 | ||
| 描述: | BT4B 334031/HA4轴承是【SKF轴承 > 滚动轴承 > 圆锥滚子轴承】的型号,主要用在仪表、离心分离机、燃汽轮机、变速器、印刷机械、石油钻机转环、碾煤机、烟草机械、轻工机械、坦克等各大领域 | ||
电话/微信:138-8949-5179
SKF BT4B 334031/HA4轴承详细信息
BT4B 334031/HA4轴承是【SKF轴承 > 滚动轴承 > 圆锥滚子轴承】的型号,主要用在仪表、离心分离机、燃汽轮机、变速器、印刷机械、石油钻机转环、碾煤机、烟草机械、轻工机械、坦克等各大领域。
SKF BT4B 334031/HA4轴承详细参数
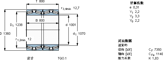
| 圆锥滚子轴承, 四列,TQO结构, TQ0.1 TQ0.1/WI | |||||||||
| 主要数据尺寸 | 基本负荷额定值 | 疲劳负荷限值 | 体积 | 型号 | |||||
| 动态 | 静态 | ||||||||
| d | D | T | B | C | C0 | Pu | |||
| mm | kN | kN | kg | - | |||||
| 1001 | 1360 | 800 | 800 | 27500 | 81500 | 4750 | 3390 | BT4B 334031/HA4 | |
SKF BT4B 334031/HA4轴承尺寸图纸

