李工:138-8949-5179 刘工:135-0428-8802
型号查询
轴承型号   常见搜索: 6011轴承 6004轴承 617轴承 6008轴承 6014轴承 6309轴承
型号查询 X

轴承专区

Bearings Center

AMS 16 ABP轴承-SKF AMS 16 ABP轴承尺寸、图纸、价格

SKF AMS 16 ABP轴承

产品名称:AMS 16 ABP轴承 品牌:SKF
类型:SKF轴承 > 滚动轴承 > 角接触球轴承
描述:AMS 16 ABP轴承是【SKF轴承 > 滚动轴承 > 角接触球轴承】的型号,主要用在燃汽轮机、差速器小齿轮轴、纺织机械传动轴、小齿轮轴、减速装置、机床等的变速装置、电机厂、医药设备、工程船舶、数控设备等各大领域

 电话/微信:138-8949-5179

SKF AMS 16 ABP轴承详细信息

AMS 16 ABP轴承是【SKF轴承 > 滚动轴承 > 角接触球轴承】的型号,主要用在燃汽轮机、差速器小齿轮轴、纺织机械传动轴、小齿轮轴、减速装置、机床等的变速装置、电机厂、医药设备、工程船舶、数控设备等各大领域。

SKF AMS 16 ABP轴承详细参数

角接触球轴承, 单列, 英制轴承
主要数据尺寸尺寸 [英寸]疲劳负荷限值额定速度体积型号
动态静态参照速度限制速度
dDBCC0Pu
mmkNkNr/minkg-
50,8114,326,98883,258,52,28800080001,20AMS 16 ABP仅对售后市场

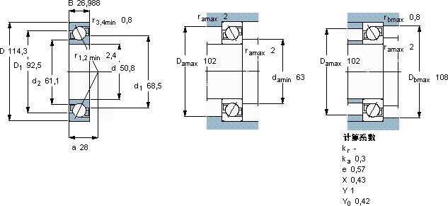
SKF AMS 16 ABP轴承尺寸图纸

李工:138-8949-5179

刘工:135-0428-8802

地址:辽宁省大连经济技术开发区现代城3栋-13-13号

在线客服系统