轴承专区
Bearings Center
YEL 207-2RF/VL065轴承-SKF YEL 207-2RF/VL065轴承尺寸、图纸、价格
SKF YEL 207-2RF/VL065轴承
| 产品名称: | YEL 207-2RF/VL065轴承 | 品牌: | SKF |
|---|---|---|---|
| 类型: | SKF轴承 > 滚动轴承 > Y-轴承 | ||
| 描述: | YEL 207-2RF/VL065轴承是【SKF轴承 > 滚动轴承 > Y-轴承】的型号,主要用在变速器、罗茨鼓风机、减速装置、建筑机械、印刷机械、石油钻机转环、立式电动机、薄膜拉伸、轻工机械、正面吊等各大领域 | ||
电话/微信:138-8949-5179
SKF YEL 207-2RF/VL065轴承详细信息
YEL 207-2RF/VL065轴承是【SKF轴承 > 滚动轴承 > Y-轴承】的型号,主要用在变速器、罗茨鼓风机、减速装置、建筑机械、印刷机械、石油钻机转环、立式电动机、薄膜拉伸、轻工机械、正面吊等各大领域。
SKF YEL 207-2RF/VL065轴承详细参数
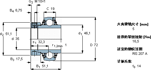
| Y-轴承, 带偏心锁定环的, YEL 2-2RF/VL065 | ||||||||||
| 主要数据尺寸 | 基本负荷额定值 | 疲劳负荷限值 | 限制速度 | 体积 | 型号 | |||||
| 动态 | 静态 | |||||||||
| d | D | B1 (B) | C | C | C0 | Pu | 用于轴公差h6 | |||
| mm | kN | kN | r/min | kg | - | |||||
| 35 | 72 | 51,1 | 19 | 25,5 | 15,3 | 0,655 | 3200 | 0,55 | YEL 207-2RF/VL065 | |
SKF YEL 207-2RF/VL065轴承尺寸图纸

