轴承专区
Bearings Center
316352 CA轴承-SKF 316352 CA轴承尺寸、图纸、价格
SKF 316352 CA轴承
| 产品名称: | 316352 CA轴承 | 品牌: | SKF |
|---|---|---|---|
| 类型: | SKF轴承 > 滚动轴承 > 圆柱滚子轴承 | ||
| 描述: | 316352 CA轴承是【SKF轴承 > 滚动轴承 > 圆柱滚子轴承】的型号,主要用在飞机喷气式发动机、油泵、汽车发动机、机床主轴、轧钢机辊道子、起重机吊钩、燃机、电子、强夯机、坦克等各大领域 | ||
电话/微信:138-8949-5179
SKF 316352 CA轴承详细信息
316352 CA轴承是【SKF轴承 > 滚动轴承 > 圆柱滚子轴承】的型号,主要用在飞机喷气式发动机、油泵、汽车发动机、机床主轴、轧钢机辊道子、起重机吊钩、燃机、电子、强夯机、坦克等各大领域。
SKF 316352 CA轴承详细参数
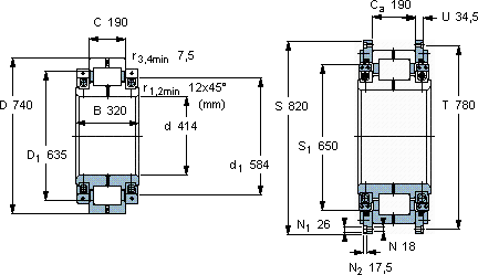
| 圆柱滚子轴承, 剖分式单列 | |||||||||||
| 主要数据尺寸 | 基本负荷额定值 | 疲劳负荷限值 | 径向内部游隙 | 体积 | 型号 | ||||||
| 动态 | 静态 | ||||||||||
| d | D | B | C | C | C0 | Pu | 最小 | 最大 | |||
| mm | kN | kN | mm | kg | - | ||||||
| 414 | 740 | 320 | 190 | 4020 | 6700 | 520 | 0,21 | 0,31 | 700 | 316352 CA | |
SKF 316352 CA轴承尺寸图纸

