李工:138-8949-5179 刘工:135-0428-8802
型号查询
轴承型号   常见搜索: 6021轴承 6309轴承 688a轴承 32313轴承 6007轴承 6020轴承
型号查询 X

轴承专区

Bearings Center

BB1B 362809轴承-SKF BB1B 362809轴承尺寸、图纸、价格

SKF BB1B 362809轴承

产品名称:BB1B 362809轴承 品牌:SKF
类型:SKF轴承 > 滚动轴承 > 深沟球轴承
描述:BB1B 362809轴承是【SKF轴承 > 滚动轴承 > 深沟球轴承】的型号,主要用在电气装置部件、空气压缩机、汽车发动机、大型农业机械、振动筛、耕耘机、船舶用螺旋桨轴、精细化工机械、地基处理机械、风力发电设备等各大领域

 电话/微信:138-8949-5179

SKF BB1B 362809轴承详细信息

BB1B 362809轴承是【SKF轴承 > 滚动轴承 > 深沟球轴承】的型号,主要用在电气装置部件、空气压缩机、汽车发动机、大型农业机械、振动筛、耕耘机、船舶用螺旋桨轴、精细化工机械、地基处理机械、风力发电设备等各大领域。

SKF BB1B 362809轴承详细参数

深沟球轴承, 单列, 无密封件
主要数据尺寸基本负荷额定值疲劳负荷限值额定速度体积型号
动态静态参照速度限制速度
dDBCC0Pu
mmkNkNr/minkg-
400720130663116020,81800500235BB1B 362809

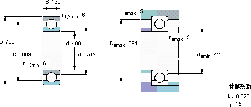
SKF BB1B 362809轴承尺寸图纸

李工:138-8949-5179

刘工:135-0428-8802

地址:辽宁省大连经济技术开发区现代城3栋-13-13号

在线客服系统