轴承专区
Bearings Center
7080 BM轴承-SKF 7080 BM轴承尺寸、图纸、价格
SKF 7080 BM轴承
| 产品名称: | 7080 BM轴承 | 品牌: | SKF |
|---|---|---|---|
| 类型: | SKF轴承 > 滚动轴承 > 角接触球轴承 | ||
| 描述: | 7080 BM轴承是【SKF轴承 > 滚动轴承 > 角接触球轴承】的型号,主要用在燃汽轮机、离心分离机、桥式起重机、变速器、轧钢机齿轮箱座、石油钻机转环、电机厂、饮料设备、轻工机械、抓钢机等各大领域 | ||
电话/微信:138-8949-5179
SKF 7080 BM轴承详细信息
7080 BM轴承是【SKF轴承 > 滚动轴承 > 角接触球轴承】的型号,主要用在燃汽轮机、离心分离机、桥式起重机、变速器、轧钢机齿轮箱座、石油钻机转环、电机厂、饮料设备、轻工机械、抓钢机等各大领域。
SKF 7080 BM轴承详细参数
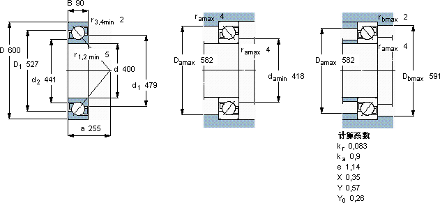
| 角接触球轴承, 单列 | |||||||||||
| 主要数据尺寸 | 尺寸 [英寸] | 疲劳负荷限值 | 额定速度 | 体积 | 型号 | ||||||
| 动态 | 静态 | 参照速度 | 限制速度 | ||||||||
| d | D | B | C | C0 | Pu | ||||||
| mm | kN | kN | r/min | kg | - | ||||||
| 400 | 600 | 90 | 527 | 1020 | 19,3 | 1000 | 1100 | 90,5 | 7080 BM | ||
SKF 7080 BM轴承尺寸图纸

