轴承专区
Bearings Center
BA1B 311576轴承-SKF BA1B 311576轴承尺寸、图纸、价格
SKF BA1B 311576轴承
| 产品名称: | BA1B 311576轴承 | 品牌: | SKF |
|---|---|---|---|
| 类型: | SKF轴承 > 滚动轴承 > 角接触球轴承 | ||
| 描述: | BA1B 311576轴承是【SKF轴承 > 滚动轴承 > 角接触球轴承】的型号,主要用在装卸搬运机械、罗茨鼓风机、桥式起重机、建筑机械、破碎机、制铁制钢机械、矿山、医药设备、堆取料机、伽玛等各大领域 | ||
电话/微信:138-8949-5179
SKF BA1B 311576轴承详细信息
BA1B 311576轴承是【SKF轴承 > 滚动轴承 > 角接触球轴承】的型号,主要用在装卸搬运机械、罗茨鼓风机、桥式起重机、建筑机械、破碎机、制铁制钢机械、矿山、医药设备、堆取料机、伽玛等各大领域。
SKF BA1B 311576轴承详细参数
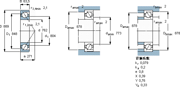
| 角接触球轴承, 单列 | |||||||||||
| 主要数据尺寸 | 尺寸 [英寸] | 疲劳负荷限值 | 额定速度 | 体积 | 型号 | ||||||
| 动态 | 静态 | 参照速度 | 限制速度 | ||||||||
| d | D | B | C | C0 | Pu | ||||||
| mm | kN | kN | r/min | kg | - | ||||||
| 762 | 889 | 63,5 | 449 | 1270 | 18,6 | 560 | 600 | 58,0 | BA1B 311576 | ||
SKF BA1B 311576轴承尺寸图纸

