轴承专区
Bearings Center
W 13轴承-SKF W 13轴承尺寸、图纸、价格
SKF W 13轴承
| 产品名称: | W 13轴承 | 品牌: | SKF |
|---|---|---|---|
| 类型: | SKF轴承 > 滚动轴承 > 轴承附件 | ||
| 描述: | W 13轴承是【SKF轴承 > 滚动轴承 > 轴承附件】的型号,主要用在铁路车辆、小型汽车前轮、挖土机履带轮、差速器、轧钢机辊道子、耕耘机、冶炼厂、饮料设备、平地机、正面吊等各大领域 | ||
电话/微信:138-8949-5179
SKF W 13轴承详细信息
W 13轴承是【SKF轴承 > 滚动轴承 > 轴承附件】的型号,主要用在铁路车辆、小型汽车前轮、挖土机履带轮、差速器、轧钢机辊道子、耕耘机、冶炼厂、饮料设备、平地机、正面吊等各大领域。
SKF W 13轴承详细参数
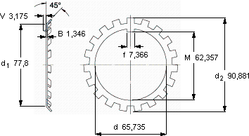
| W锁紧垫圈, 英制尺寸 | ||||||
| 尺寸 | 体积 | 型号 | ||||
| 锁紧垫圈 | 适宜的锁定螺母 | |||||
| d | d2 | B | ||||
| mm | kg | - | ||||
| 65,735 | 90,881 | 1,346 | 0,027 | W 13 | N 13 | |
SKF W 13轴承尺寸图纸

