轴承专区
Bearings Center
6410轴承-SKF 6410轴承尺寸、图纸、价格
SKF 6410轴承
| 产品名称: | 6410轴承 | 品牌: | SKF |
|---|---|---|---|
| 类型: | SKF轴承 > 滚动轴承 > 深沟球轴承 | ||
| 描述: | 6410轴承是【SKF轴承 > 滚动轴承 > 深沟球轴承】的型号,主要用在变速器、罗茨鼓风机、纺织机械传动轴、建筑机械、破碎机、石油钻机转环、立式电动机、玩具、凿岩机械、正面吊等各大领域 | ||
电话/微信:138-8949-5179
SKF 6410轴承详细信息
6410轴承是【SKF轴承 > 滚动轴承 > 深沟球轴承】的型号,主要用在变速器、罗茨鼓风机、纺织机械传动轴、建筑机械、破碎机、石油钻机转环、立式电动机、玩具、凿岩机械、正面吊等各大领域。
SKF 6410轴承详细参数
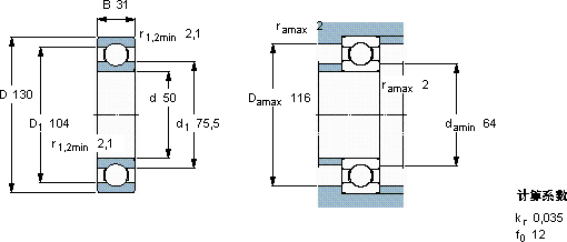
| 深沟球轴承, 单列, 无密封件 | |||||||||||
| 主要数据尺寸 | 基本负荷额定值 | 疲劳负荷限值 | 额定速度 | 体积 | 型号 | ||||||
| 动态 | 静态 | 参照速度 | 限制速度 | ||||||||
| d | D | B | C | C0 | Pu | ||||||
| mm | kN | kN | r/min | kg | - | ||||||
| 50 | 130 | 31 | 87,1 | 52 | 2,2 | 12000 | 7500 | 1,90 | 6410 | ||
SKF 6410轴承尺寸图纸

