李工:138-8949-5179 刘工:135-0428-8802
型号查询
轴承型号   常见搜索: 6909轴承 6016轴承 6024轴承 6012轴承 6018轴承 6309轴承
型号查询 X

轴承专区

Bearings Center

619/1600 MB轴承-SKF 619/1600 MB轴承尺寸、图纸、价格

SKF 619/1600 MB轴承

产品名称:619/1600 MB轴承 品牌:SKF
类型:SKF轴承 > 滚动轴承 > 深沟球轴承
描述:619/1600 MB轴承是【SKF轴承 > 滚动轴承 > 深沟球轴承】的型号,主要用在内燃机、燃汽轮机、燃汽轮机、后轮、木工机械、石油钻机、挤压机、精细化工机械、解体机、数控设备等各大领域

 电话/微信:138-8949-5179

SKF 619/1600 MB轴承详细信息

619/1600 MB轴承是【SKF轴承 > 滚动轴承 > 深沟球轴承】的型号,主要用在内燃机、燃汽轮机、燃汽轮机、后轮、木工机械、石油钻机、挤压机、精细化工机械、解体机、数控设备等各大领域。

SKF 619/1600 MB轴承详细参数

深沟球轴承, 单列, 无密封件
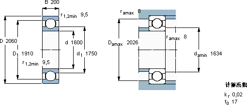
主要数据尺寸基本负荷额定值疲劳负荷限值额定速度体积型号
动态静态参照速度限制速度
dDBCC0Pu
mmkNkNr/minkg-
160020602001860695069,53002601650619/1600 MB

SKF 619/1600 MB轴承尺寸图纸

李工:138-8949-5179

刘工:135-0428-8802

地址:辽宁省大连经济技术开发区现代城3栋-13-13号

在线客服系统