轴承专区
Bearings Center
AMS 15 ABP轴承-SKF AMS 15 ABP轴承尺寸、图纸、价格
SKF AMS 15 ABP轴承
| 产品名称: | AMS 15 ABP轴承 | 品牌: | SKF |
|---|---|---|---|
| 类型: | SKF轴承 > 滚动轴承 > 角接触球轴承 | ||
| 描述: | AMS 15 ABP轴承是【SKF轴承 > 滚动轴承 > 角接触球轴承】的型号,主要用在仪表、罗茨鼓风机、减速装置、建筑机械、各类产业用减速机、石油钻机转环、碾煤机、洗染、凿岩机械、厨具设备等各大领域 | ||
电话/微信:138-8949-5179
SKF AMS 15 ABP轴承详细信息
AMS 15 ABP轴承是【SKF轴承 > 滚动轴承 > 角接触球轴承】的型号,主要用在仪表、罗茨鼓风机、减速装置、建筑机械、各类产业用减速机、石油钻机转环、碾煤机、洗染、凿岩机械、厨具设备等各大领域。
SKF AMS 15 ABP轴承详细参数
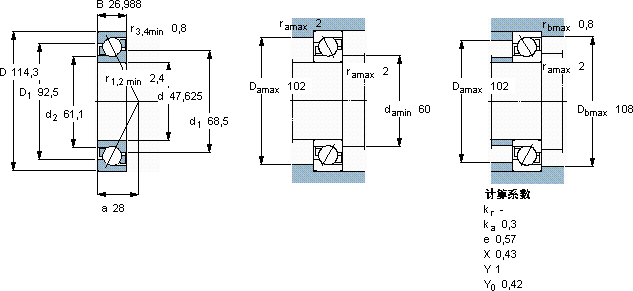
| 角接触球轴承, 单列, 英制轴承 | |||||||||||
| 主要数据尺寸 | 尺寸 [英寸] | 疲劳负荷限值 | 额定速度 | 体积 | 型号 | ||||||
| 动态 | 静态 | 参照速度 | 限制速度 | ||||||||
| d | D | B | C | C0 | Pu | ||||||
| mm | kN | kN | r/min | kg | - | ||||||
| 47,625 | 114,3 | 26,988 | 83,2 | 58,5 | 2,28 | 8000 | 8000 | 1,25 | AMS 15 ABP | 仅对售后市场 | |
SKF AMS 15 ABP轴承尺寸图纸

