轴承专区
Bearings Center
SI 10 E轴承-SKF SI 10 E轴承尺寸、图纸、价格
SKF SI 10 E轴承
| 产品名称: | SI 10 E轴承 | 品牌: | SKF |
|---|---|---|---|
| 类型: | SKF轴承 > 球面滑动轴承和杆端关节轴承 > 需维护的杆端关节轴承 | ||
| 描述: | SI 10 E轴承是【SKF轴承 > 球面滑动轴承和杆端关节轴承 > 需维护的杆端关节轴承】的型号,主要用在各种产业机械、高频马达、桥式起重机、前轮、轧钢机齿轮箱座、机床主轴、发电厂、电子、混凝土机械、冶金起重机等各大领域 | ||
电话/微信:138-8949-5179
SKF SI 10 E轴承详细信息
SI 10 E轴承是【SKF轴承 > 球面滑动轴承和杆端关节轴承 > 需维护的杆端关节轴承】的型号,主要用在各种产业机械、高频马达、桥式起重机、前轮、轧钢机齿轮箱座、机床主轴、发电厂、电子、混凝土机械、冶金起重机等各大领域。
SKF SI 10 E轴承详细参数
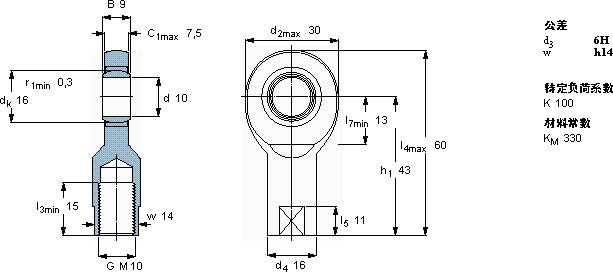
| 需要维护的杆端, 钢对钢,阴螺纹 | |||||||||||
| 主要数据尺寸 | 角度倾的 | 基本负荷额定值 | 质量 | 型号 | |||||||
| 动态 | 静态 | 杆端带右或左旋螺纹 | |||||||||
| d | d2 | B | d3 | C1 | h1 | ± | C | C0 | |||
| 6H | |||||||||||
| mm | 度数 | kN | kg | - | |||||||
| 10 | 30 | 9 | M 10 | 7,5 | 43 | 12 | 8,15 | 19 | 0,069 | SI 10 E | |
SKF SI 10 E轴承尺寸图纸

