轴承专区
Bearings Center
6006-2RZTN9/HC5C3WT轴承-SKF 6006-2RZTN9/HC5C3WT轴承尺寸、图纸、价格
SKF 6006-2RZTN9/HC5C3WT轴承
| 产品名称: | 6006-2RZTN9/HC5C3WT轴承 | 品牌: | SKF |
|---|---|---|---|
| 类型: | SKF轴承 > 滚动轴承 > 工程产品 | ||
| 描述: | 6006-2RZTN9/HC5C3WT轴承是【SKF轴承 > 滚动轴承 > 工程产品】的型号,主要用在建筑机械、罗茨鼓风机、挖土机履带轮、建筑机械、破碎机、石油钻机转环、成形机、饮料设备、轻工机械、泥炮等各大领域 | ||
电话/微信:138-8949-5179
SKF 6006-2RZTN9/HC5C3WT轴承详细信息
6006-2RZTN9/HC5C3WT轴承是【SKF轴承 > 滚动轴承 > 工程产品】的型号,主要用在建筑机械、罗茨鼓风机、挖土机履带轮、建筑机械、破碎机、石油钻机转环、成形机、饮料设备、轻工机械、泥炮等各大领域。
SKF 6006-2RZTN9/HC5C3WT轴承详细参数
| 深沟球轴承, 单列陶瓷混合轴承, 低摩擦两面密封件 | ||||||||||
| 主要数据尺寸 | 基本负荷额定值 | 疲劳负荷限值 | 额定速度 | 体积 | 型号 | |||||
| 动态 | 静态 | 参照速度 | 限制速度 | |||||||
| d | D | B | C | C0 | Pu | |||||
| mm | kN | kN | r/min | kg | - | |||||
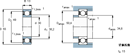
| 30 | 55 | 13 | 13,8 | 8,3 | 0,355 | 34000 | 24000 | 0,11 | 6006-2RZTN9/HC5C3WT | |
SKF 6006-2RZTN9/HC5C3WT轴承尺寸图纸

