李工:138-8949-5179 刘工:135-0428-8802
型号查询
轴承型号   常见搜索: 7014轴承 6024轴承 22222轴承 6005轴承 6002轴承 3214轴承
型号查询 X

轴承专区

Bearings Center

SAA 45 ES-2RS轴承-SKF SAA 45 ES-2RS轴承尺寸、图纸、价格

SKF SAA 45 ES-2RS轴承

产品名称:SAA 45 ES-2RS轴承 品牌:SKF
类型:SKF轴承 > 球面滑动轴承和杆端关节轴承 > 需维护的杆端关节轴承
描述:SAA 45 ES-2RS轴承是【SKF轴承 > 球面滑动轴承和杆端关节轴承 > 需维护的杆端关节轴承】的型号,主要用在飞机喷气式发动机、小型汽车前轮、汽车发动机、差速器、铁路车辆车轴、耕耘机、燃机、薄膜拉伸、地基处理机械、厨具设备等各大领域

 电话/微信:138-8949-5179

SKF SAA 45 ES-2RS轴承详细信息

SAA 45 ES-2RS轴承是【SKF轴承 > 球面滑动轴承和杆端关节轴承 > 需维护的杆端关节轴承】的型号,主要用在飞机喷气式发动机、小型汽车前轮、汽车发动机、差速器、铁路车辆车轴、耕耘机、燃机、薄膜拉伸、地基处理机械、厨具设备等各大领域。

SKF SAA 45 ES-2RS轴承详细参数

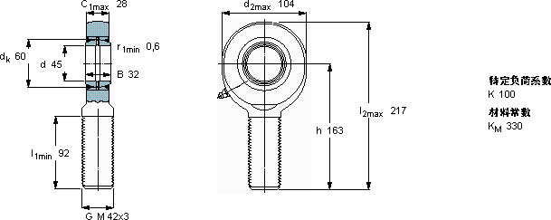
需要维护的杆端, 钢对钢,阳螺纹, 两面密封件
主要数据尺寸角度倾的基本负荷额定值质量型号
动态静态杆端带右或左旋螺纹
dd2Bd3C1h±CC0
6g
mm度数kNkg-
4510432M 42x32816371272002,55SAA 45 ES-2RS

SKF SAA 45 ES-2RS轴承尺寸图纸

李工:138-8949-5179

刘工:135-0428-8802

地址:辽宁省大连经济技术开发区现代城3栋-13-13号

在线客服系统