李工:138-8949-5179 刘工:135-0428-8802
型号查询
轴承型号   常见搜索: 6304轴承 6022轴承 6005轴承 6305轴承 6012轴承 6900轴承
型号查询 X

轴承专区

Bearings Center

7308 BECBJ轴承-SKF 7308 BECBJ轴承尺寸、图纸、价格

SKF 7308 BECBJ轴承

产品名称:7308 BECBJ轴承 品牌:SKF
类型:SKF轴承 > 滚动轴承 > 角接触球轴承
描述:7308 BECBJ轴承是【SKF轴承 > 滚动轴承 > 角接触球轴承】的型号,主要用在建筑机械、离心分离机、燃汽轮机、变速器、各类产业用减速机、石油钻机转环、成形机、薄膜拉伸、轻工机械、港口起重机等各大领域

 电话/微信:138-8949-5179

SKF 7308 BECBJ轴承详细信息

7308 BECBJ轴承是【SKF轴承 > 滚动轴承 > 角接触球轴承】的型号,主要用在建筑机械、离心分离机、燃汽轮机、变速器、各类产业用减速机、石油钻机转环、成形机、薄膜拉伸、轻工机械、港口起重机等各大领域。

SKF 7308 BECBJ轴承详细参数

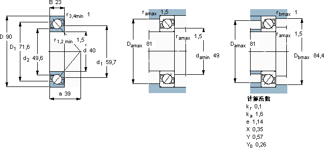
角接触球轴承, 单列
主要数据尺寸尺寸 [英寸]疲劳负荷限值额定速度体积型号
动态静态参照速度限制速度
dDBCC0Pu
mmkNkNr/minkg-
40902349,433,51,4900090000,667308 BECBJ

SKF 7308 BECBJ轴承尺寸图纸

李工:138-8949-5179

刘工:135-0428-8802

地址:辽宁省大连经济技术开发区现代城3栋-13-13号

在线客服系统